Product Summary
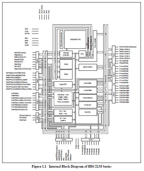
The HD64F2218TF24V Series comprise microcomputers (MCUs) built around the H8S/2000 CPU, employing Hitachi’s proprietary architecture, and equipped with supporting modules on-chip.
Parametrics
Absolute maximum ratings: (1)Power supply voltage: –0.3 to +7.0 V; (2)Input voltage (except ports 6 and 7): –0.3 to VCC +0.3 V; (3)Input voltage (CIN input not selected for port 6): –0.3 to VCC +0.3 V; (4)Input voltage (CIN input selected for port 6): Lower voltage of –0.3 to VCC +0.3 and AVCC +0.3 V; (5)Input voltage (port 7): –0.3 to AVCC + 0.3 V; (6)Analog power supply voltage: –0.3 to +7.0 V; (7)Analog input voltage: –0.3 to AVCC +0.3 V; (8)Operating temperature Topr Regular specifications: –20 to +75 ℃; (9)Wide-range specifications: –40 to +85 ℃; (10)Operating temperature (flash memory programming/erasing): Regular specifications: 0 to +75 ℃; (11)Wide-range specifications: 0 to +85 ℃; (12)Storage temperature: –55 to +125 ℃.
Features
Features: (1)Asynchronous mode or synchronous mode selectable; (2)Multiprocessor communication function; (3)Compatible with IrDA specification version 1.0; (4)TxD and RxD encoding/decoding in IrDA format; (5)8-bit host interface (ISA) port; (6)Three host interrupt requests (HIRQ11, HIRQ1, HIRQ12); (7)Normal and fast A20 gate output; (8)Two register sets (each comprising two data registers and two status registers).
Diagrams

![]() |
![]() HD6412240TE13 |
![]() |
![]() IC H8S MPU ROMLESS 100TQFP |
![]() Data Sheet |
![]() Negotiable |
|
||||
![]() |
![]() HD6412322RVF25 |
![]() |
![]() IC H8S MCU ROMLESS 128-QFP |
![]() Data Sheet |
![]() Negotiable |
|
||||
![]() |
![]() HD6412322RVFBL25 |
![]() |
![]() IC H8S MCU ROMLESS 128-QFP |
![]() Data Sheet |
![]() Negotiable |
|
||||
![]() |
![]() HD6412332VFCBL25 |
![]() Renesas Technology America |
![]() IC H8S MCU ROMLESS 144-QFP |
![]() Data Sheet |
![]() Negotiable |
|
||||
![]() |
![]() HD6412350F20 |
![]() |
![]() IC H8S MPU ROMLESS 5V 128QFP |
![]() Data Sheet |
![]() Negotiable |
|
||||
![]() |
![]() HD6412350F20V |
![]() |
![]() IC H8S MPU ROMLESS 5V 128QFP |
![]() Data Sheet |
![]() Negotiable |
|
||||
(China (Mainland))









